> 性能介绍
雷纽电气通过多年潜心研究国内外新能源的实际系统运行情况和客户需求,开发了 LNM3(DC)-(HU) 系列新能源专用交直流塑壳断路器。
> 产品特点
- LNM3-(HU) 系列塑壳断路器,额定电压高至 AC1000V, 电流高至 400A 。
- LNM3-(HU) 系列塑壳断路器 AC800V 电压下分断能力高达 30kA ,能可靠实现系统短路保护。
- LNM3DC-HU 系列塑壳断路器,额定电压高至 DC1500V ,电流高至 400A 。
- LNM3DC-HU 系列塑壳断路器 DC1500V 电压下分断能力高达 10kA ,能可靠实现系统短路保护。
> 符合标准
LNM3(DC)-(HU) 系列交直流塑壳断路器符合下列标准
IEC 60947-1 GB/T14048.1 总则
IEC 60947-2 GB/T14048.2 断路器
> 适用环境
1. 安装地点海拔不超过 2000m ;
2. 能耐受潮湿空气的影响 ( 三防型 )① ;
3. 能耐受盐雾油雾的影响 ( 三防型 ) ;
4. 能耐受霉菌的影响 ( 三防型 ) ;
5. 在无爆炸危险的介质中,且介质无足以腐蚀金属和破坏绝缘的气体与导电尘埃的地方。
注:①三防产品需特殊定制,请注明 TH 。
> 使用与维护
断路器各种特性及附件由制造厂整定,在使用中不可随意调节。在用户遵守保
管和使用条件下。从制造厂发货之日起,不超过 24 个月,断路器封印完好,产品如
因制造质量问题而发生损环或不能正常使用时,制造厂负责无偿更换和修理。
> 新能源专用塑壳断路器 - 型号编制含义

> 分类
按操作方式分:
1. 本体直接操作;
2. 电动操作机构操作;
3. 旋转手柄操作。
按保护形式分:
1. 线路保护;
2. 线路隔离。
按接线形式分:
1. 板前接线;
2. 板后接线;
3. 插入式接线;
4. 抽出式接线 ( 壳架等级电流 >400A) 。
> 主要技术性能指标


> 断路器动作特性曲线
LNM3-(HU) 动作特性曲线

> 断路器安装时的安全距离

> 脱扣器方式及附件代号
按脱扣器类型式分:仅瞬时脱扣器(电磁式脱扣器 : 200);热动 + 电磁式脱扣器 ( 复合式 : 300)

> 辅助触头
辅助触头电流参数

> 报警触头
报警触头及其组合

> 分励脱扣器
一般安装在断路器 A 相,在额定控制电源电压的 70%-110% 之间时,分励脱扣器应在所有的操作条件下使断路器可靠脱扣。
控制电压:常规: AC 50Hz , 110V, 230V, 400V, DC 24V, 110V, 220V, 400V ;超低电压型: AC/DC 1.5V
注意:控制回路电源为 DC24V 时,件荐采用下图进行分励控制回路设计。
KA :为 DC24V 中间继电器,触点电流容量为 1A 。
K :分励脱扣器内部与线圈串联的微型开关,为常闭触头,当断路器分闸后,该触头自行断开,合闸时闭合。
分励脱扣器接线图
> 外部附件的安装方法及其外形尺寸
转动操作手柄机构型号规格

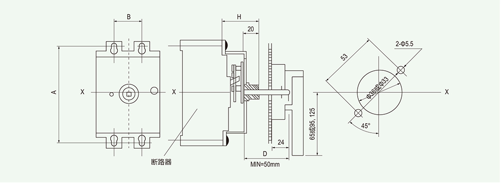
CS1-A 型手柄安装开孔示意图

电动操作机构型号规格


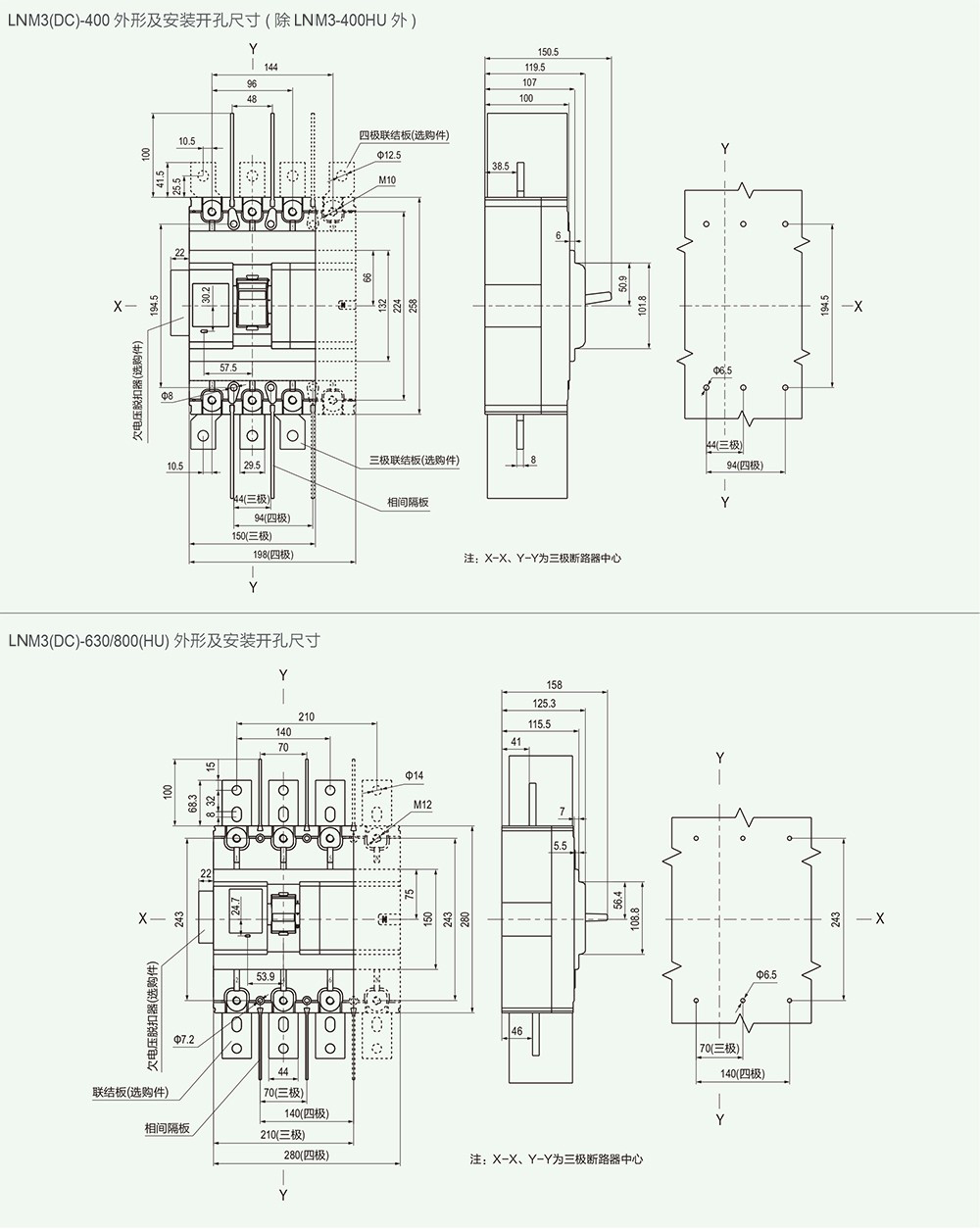
> 外形及安装尺寸方法及其外形尺寸



